Staffe per il collegamento dei moduli/tenditori alle macchine/strutture.
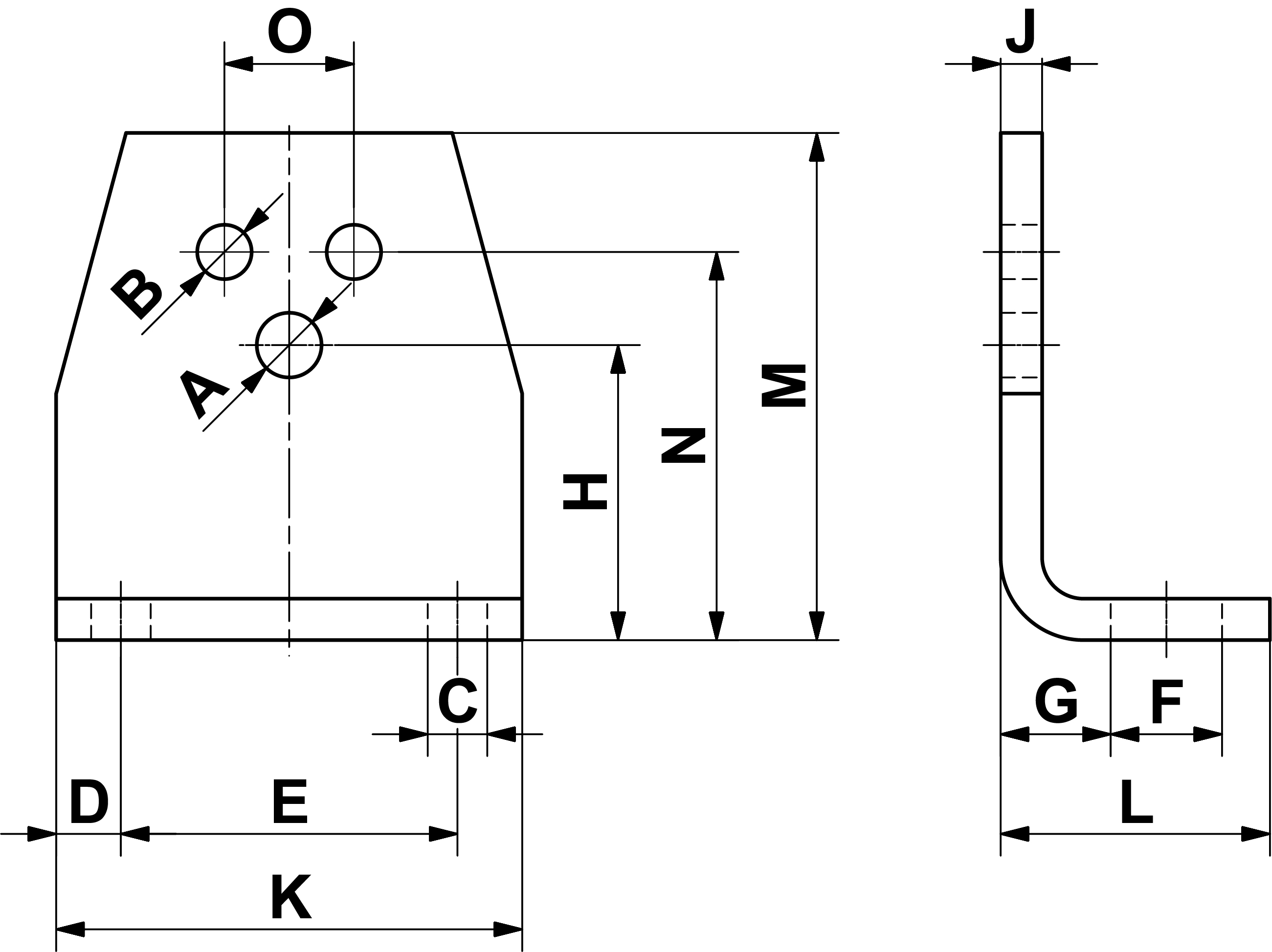
Queste staffe multiuso consentono di avvitare facilmente le squadrette interne delle unità di sospensione in gomma ROSTA di tipo DR-A, DK-A e DO-A (nonché di fissare l'alloggiamento dei dispositivi di tensionamento di tipo SE). La base della sezione angolare può essere posizionata in entrambe le direzioni e offre, insieme ai diversi morsetti, molte possibilità di combinazione per l'assemblaggio degli elementi. Le staffe sono verniciate.
specifiche & cad
Fare clic su un tipo nella tabella sottostante per visualizzare i disegni 3D.