ROSTA-Schwingantriebsköpfe
Typ ST sind elastische Gelenke, welche die Beschleunigungskräfte vom
Exzenterantrieb auf das schwingende Maschinenteil übertragen –
spielfrei, geräuschlos, zuverlässig und wartungsfrei. Die üblichen
Wartungsprobleme, die für diese Antriebskomponenten charakteristisch
sind, sind damit ausgeschlossen.
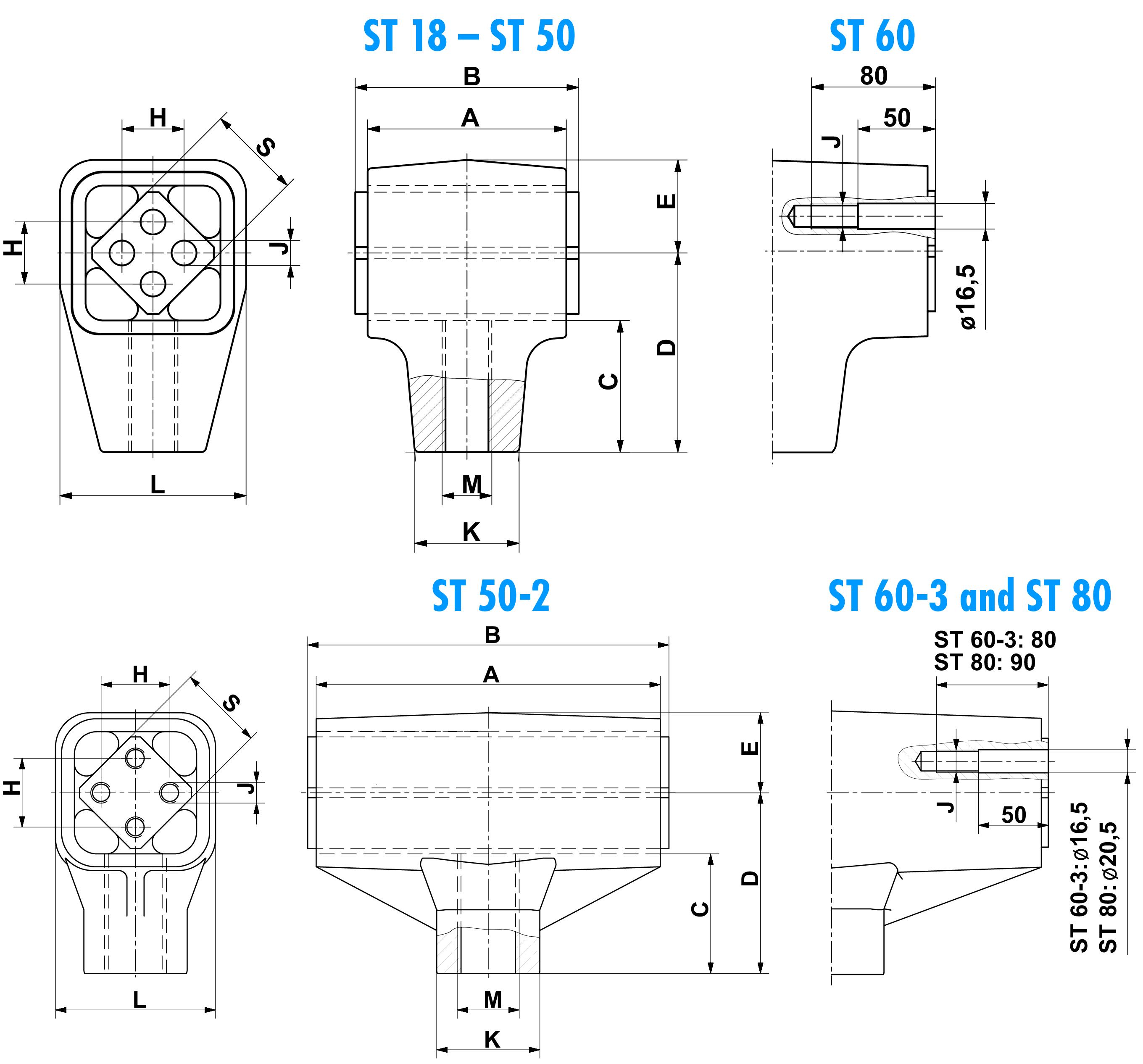
Der Innenvierkant (Kern) und die Wanne sind durch eine sogenannte
„Gabel“ miteinander verbunden. Das Außengehäuse wird mit der
Schieberkurbelstange verschraubt und arretiert. Es stehen Rechts- oder
Linksgewinde zur Verfügung, wodurch sich die Kurbellänge leicht
einstellen lässt. Die Antriebsköpfe bis Typ ST 45 haben ein Gehäuse und
einen Kern aus Aluminium; Typ ST 50 hat ein Gehäuse aus SC-Eisen und
einen Aluminiumkern; ST 60 und ST 80 haben ein SC-Eisengehäuse und einen
Stahlkern.
Spezifikationen & CAD
Bitte klicken Sie auf einen Typ in der Tabelle unten, um 3D-Zeichnungen anzuzeigen.